16-28v Input 500w Output DC-DC ATX Power Supply #
- Small, Silent and Smart PSU [S3PSU]
- Operates at Wide Range Input Voltage [16V-28V]
- High Efficiency [>90%]
- Microcontroller Inside with Intelligent ATX Timing Control
- Highly Reliable Electrolytic Capacitors
- OCP, OVP, and OTP
- CNC Heatsink on Top and Backplate at Bottom Included
- ATX Board Size: 150mm (L) x 85mm (W) x 25mm (H)


DC INPUT #
A DC input cable is used. On the one side is the DC Jack, on the other side is the 4-pin connector pluged into the PSU.
| Input Channel | DC Input Voltage | DC Jack | DC Input Cable Length |
|---|---|---|---|
| 1 | 16V-28V (OVP at 28.2~28.5V) | 7.4mm x 5.0mm | 25mm |
| 2 | 16V-28V (OVP at 28.2~28.5V) | 7.4mm x 5.0mm | 25mm |
POWER RATINGS #
The power rating for each output rail is shown in the following table. Maximum 18A continous current is guaranteed for a single 12V output rail. As there are two separated 12V output rails, the total current is 36A. The maximum output power is optimized for 19.5V input, and falls off as input voltage increases or descreases. Forced air ventilation is required for operating at max load. For fanless or improper ventilation operation derate the output of the 12V rail until PSU temperature falls below 65℃. Peak load should not exceed 60 seconds. Combined max power output should not exceed more than 500 Watts.
| Voltage Rail | Max Load (A) | Peak Load (A) | Regulation |
|---|---|---|---|
| +12V (ch1) | 18 | 22 | ±1.5% |
| +12V (ch2) | 18 | 22 | ±1.5% |
| +5V | 6 | 8 | ±1.5% |
| +5VSB | 2.5 | 3 | ±1.5% |
| +3.3V | 6 | 8 | ±1.5% |
| -12V | 0.05 | 0.1 | ±5% |
PROTECTION #
OCP, OVP, short circuit and no load operation.
Overload Protection #
The power supply will be shutdown and latch off when load power over 110% ~ 160% of the rated DC output.
Over Current Protection #
The power supply shall have current limit to prevent the +12V, +5V and +3.3V outputs from exceeding the values shown in the following table for 48V input. If the current limits are exceeded the power supply shall shutdown and latch off.
| Output Rail | Over Current Limit |
|---|---|
| +12V (ch1) | 18~22A |
| +12V (ch2) | 18~22A |
| +5V | 8~10A |
| +3.3V | 8~10A |
Over Voltage Protection #
The microcontroller in the PSU monitors all output rails and provides over voltage protection as defined in the following table.
| Output Rail | Minimum (V) | Normal (V) | Maximum (V) |
|---|---|---|---|
| +12V | 13.4 | 15 | 15.6 |
| +5V | 5.74 | 6.3 | 7 |
| +3.3V | 3.76 | 4.2 | 4.3 |
Short Circuit Protection #
An output short circuit is defined as any output impedance of less than 0.1 ohms. The power supply shall shut down and latch off for shorting the +3.3V, +5V, or +12V rails to return or any other rail.
No Load Operation #
No damage or hazardous condition should occur with all the DC output connectors disconnected from the load. The PSU may latch.
I/O PIN DIAGRAM #
The I/O definition of all the connectors on the PSU board is shown below.

- Note: J4 4-pin connector is for UART communication for power supply status monitoring.
- J5 4-pin connector is for synchronization between power supplies.
UART COMMUNICATION #
Communication mode: baud rate 115200, no parity check, 8 bits data, 1 stop bit. The data packet format is defined as the following table.
| NO. | 0-1 | 2 | 3 | 4-5 | 6-7 | 8-9 | 10-11 | 12-13 | 14-15 | 16-17 |
|---|---|---|---|---|---|---|---|---|---|---|
| Octets | 2 | 1 | 1 | 2 | 2 | 2 | 2 | 2 | 2 | 2 |
| Name | Head | Seq | State | IN_A | PGI | VS12_1 | VS12_2 | VS5 | VS3 | Check |
| Description | 0xAA 0x55 | 0 to 255 | 00: IDLE 02: RUN 03: OVP | Input current in mA | Scaled input voltage in mV | 12V output rail voltage in mV | The 2nd 12V output rail in mV | 5V output rail voltage in mV | 3.3V output rail voltage in mV | Check sum |
TIMING #
Compliance with Intel ATX specification version 2.01. Remote ON/OFF control is as follows.
- When the logic level “PS-ON” is low, the DC outputs are to be enabled.
- When the logic level is high or open collector, the DC outputs are to be disabled.

- T1: Power-on time. The time from when PSON# is pulled low to when the +12V, +5V and +3.3V outputs are within the regulation ranges. The power-on time shall be less than 500ms (T1 < 500ms)
- T2: Rise time. The output voltages shall rise from ≤10% of nominal to within the regulation ranges within 0.1 ms to 20 ms (0.1 ≤ T2 ≤ 20ms)
- T3: Power good signal turn on delay time (100 < T3 < 500ms)
- T4: Power good signal rise time (T4 ≤ 10ms)
- T5: Voltage input loss to PGOOD hold-up time (T5 ≥ 16ms)
- T6: Power down warning (T6 ≥ 1ms)
CABLE DIAGRAM #
Definition of the wire harness.
Cable Set #
Both DC input cable and ATX output cable are included. All the cables can be customized according to customer’s requirement.

Connectors #
Quantity of connectors and cable length are summarized.
| Main Power 24P | EPS 12V 4+4P | PCIE 6+2P | SATA | Peripheral 4P | CPU FAN 4P | |
|---|---|---|---|---|---|---|
| Outlook | ![]() | ![]() | ![]() | ![]() | ![]() | ![]() |
| Quantity | 1 | 1 | 2 | 3 | 1 | / |
| Cable Length (mm) | 350 | 420 | 420 | 300 | / | / |
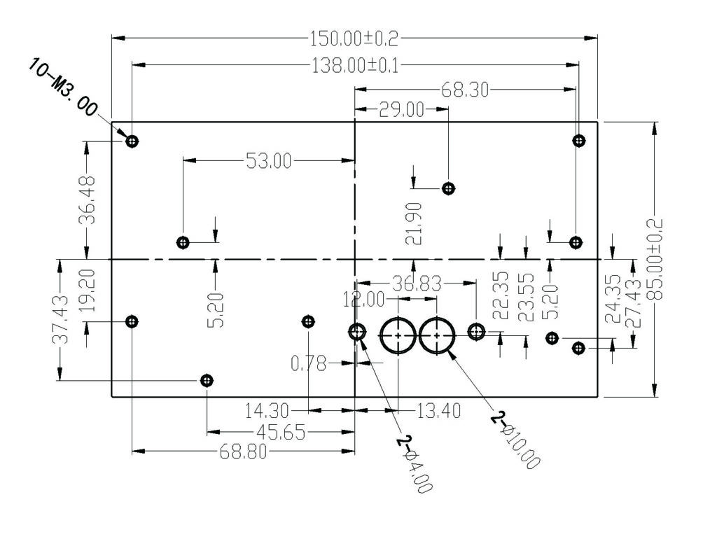
BACKPLANE #
Unit is mm. The mounting hole distance is compatible with the standard ATX power supply for personal computers.

ENVIRONMENT #
Operation and storage conditions.
Operation #
Operating temperature from -10℃to 70℃. Maximum output power falls off linearly as operating temperature increases from 40℃.
Shipping and Storage #
Shipping and storage temperature from -40℃to 80℃. Relative humidity to 95% non-condensing.
Altitude #
Operating 10,000FT max. Storage 50,000FT max.
SAFETY & EMC #
Specified certificates will be applied upon customers’ requirements.
Safety Standards #
The design meets RoHS Directive (2011/65/3u) and EU (2015/863).
EMC Emission #
The design meets Electromagnetic Compatibility Directive (2014/30/EU).
OTHERS #
MTBF, dimension, weight and package content.
MTBF #
The demonstrated MTBF (mean time between failures) shall be 100,000 hours of continuous operation at 25℃ of full load at normal DC input. The MTBF of the power supply shall be calculated in accordance with MIL-HDBK-217F.
Dimension #
150mm (L) x 85mm (W) x 25mm (H), compatible with ATX PSU mounting holes.
Weight #
395 grams excluding cables. 592 grams including cables.
Package Content #
One PSU, one ATX cable kit, and one DC input cable.
CONTACT #
Pico Box headquarters locates at Shenzhen and can be contated by Email.
- Company: Pico Box Technology Limited
- Address: 901 Bldg. 3, Yesun Intelligent Community II, Guanlan, Longhua, Shenzhen 518000, China
- Email: oversea@pico-box.com
- Website: www.pico-box.com






